手機:13827297626
電話:13827297626
郵箱:435281082@qq.com
地址:廣東省東莞市樟木頭鎮圩鎮荔苑路7號星耀國際
發布時間:2026-01-07 點此:595次

| 類別 | 關鍵內容 |
|---|---|
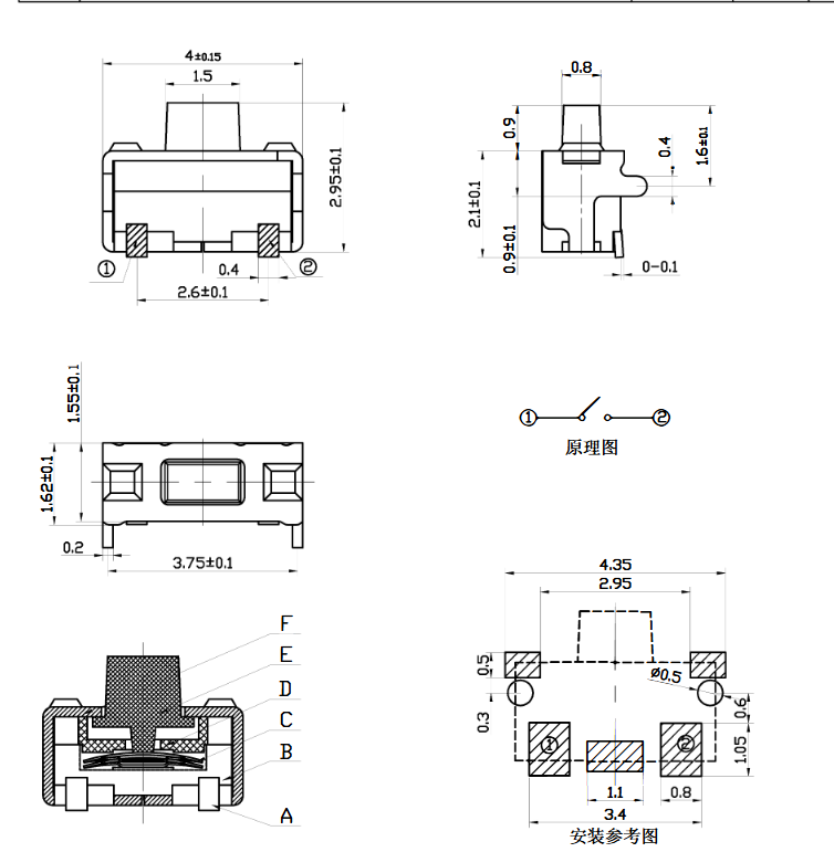
| 產品標識 | 型號:YX-2W1-05;名稱:2*3 Tact Switch(2*3輕觸開關) |
| 文檔屬性 | 版本:A/0;日期:2021.08.21;頁數:6頁(Page 1/6~Page 6/6) |
| 承認流程 | 需經“經辦(Inspected)→審核(Checked)→核準(Approved)”,需蓋廠家確認章及客戶確認章,承認份數待填寫 |
| 核心用途 | 規范YX-2W1-05型號機械式輕觸開關的性能、測試、焊接及使用要求 |
適用范圍(1.1)
本規格書僅適用于機械式輕觸開關(TACTILE SWITCH (MECHANICAL CONTACT)) ,明確其全生命周期的相關技術要求。
溫度范圍(1.2~1.3)
測試條件(1.4)
分“常規測試”和“制造判斷測試”兩類,具體如下:
| 測試類型 | 溫度 | 相對濕度 | 環境氣壓 |
|---|---|---|---|
| 常規測試 | 5℃~35℃ | 25%~85% | 86KPa~106KPa |
| 制造判斷測試 | 20℃±2℃ | 65%±5% | 86KPa~106KPa |
明確產品的基礎特性,確保與應用場景匹配:
規定產品的電氣安全及導通性能,測試條件與要求如下表:
| 序號 | 項目(ITEM) | 試驗條件(TEST CONDITIONS) | 要求(REQUIREMENTS) |
|---|---|---|---|
| 3.1 | 接觸電阻 | 1. 施加2倍按力的靜負荷于手柄中心;2. 用5V 10mA直流電源或≥1KHz交流電源測量 | ≤200mΩ |
| 3.2 | 絕緣電阻 | 1. 端子間、端子與蓋板間施加DC 100V電壓;2. 持續1分鐘后測量 | ≥100MΩ |
| 3.3 | 介質耐壓 | 1. 端子間施加250V AC電壓(頻率50HZ或60HZ);2. 持續1分鐘 | 無擊穿、無飛弧(No breakdown/flashover) |
覆蓋按壓手感、結構強度及可焊性,具體參數如下:
| 序號 | 項目(ITEM) | 試驗條件(TEST CONDITIONS) | 要求(REQUIREMENTS) |
|---|---|---|---|
| 4.1 | 按力 | 開關垂直放置,向驅動件頂端中心逐漸施力,測量導通所需最大力度 | 160±50gf |
| 4.2 | 最大行程 | 開關垂直放置,向驅動件頂端中心施加2倍按力的靜負荷,測量頂端移動距離 | 0.15±0.1mm |
| 4.3 | 回彈力 | 開關垂直放置,驅動件下降至全行程后,測量回位力度 | ≥30gf(最小值) |
| 4.4 | 停止強度 | 開關垂直放置,向驅動件施加20N靜負荷,持續1分鐘 | 無機械損壞、無電氣損壞 |
| 4.5 | 可焊性 | 1. 焊接溫度245±5℃,浸入時間2s±0.5s;2. 其他步驟參考《GB 5095.6-86》試驗12a | 除邊緣外,涂層覆蓋≥90% |
極限電氣性能(環境適應性,ENVIRONMENTAL SPECIFICATION)
模擬惡劣環境下的性能穩定性,測試后需在常溫標準濕度下恢復1小時再檢測:
| 序號 | 項目(ITEM) | 試驗條件(TEST CONDITIONS) | 恢復后要求 |
|---|---|---|---|
| 5.1 | 低溫測試 | 溫度-30±2℃,持續48小時 | 接觸電阻≤200mΩ,絕緣電阻≥10MΩ |
| 5.2 | 高溫測試 | 溫度80±2℃,持續48小時 | 同低溫測試要求 |
| 5.3 | 濕溫測試 | 溫度60±2℃,相對濕度90%~95%,持續48小時 | 同低溫測試要求 |
| 5.4 | 溫度周期性測試 | 5次循環(+65±2℃ 1h→-10±2℃ 2h→+65±2℃ 1h→-10±2℃ 2h),測試期間保持干燥 | 需通過性能檢測(未明確具體值,按基礎要求) |
| 5.5 | 硫化試驗 | 2%濃度K2S溶液,常溫浸泡1分鐘,試驗后用清水沖洗 | 金屬件無明顯腐蝕、氧化 |
| 5.6 | 鹽霧試驗 | 溫度35℃±2℃,5±1%濃度鹽溶液(質量百分比),持續24h±1h,試驗后沖洗鹽沉積物 | 金屬件無腐蝕斑點 |
極限機械性能(工作壽命,ENDURANCE SPECIFICATION)
分手工焊接和自動焊接,明確溫度、時間限制,避免高溫損壞:
| 焊接類型 | 關鍵參數 |
|---|---|
| 手工焊接(7.1) | 1. 焊錫溫度:≤350℃;2. 連續焊接時間:≤3s |
| 自動焊接(7.2) | 1. 預熱:150℃~175℃,持續40~80秒;2. 峰值溫度:≤260℃;3. 焊接區溫度:260℃,持續1~4秒;4. 焊接次數:≤1次;5. 高溫后性能衰變:≤±20% |
答案:核心電氣性能包含3項,具體參數及測試要求如下:
答案:需進行6項極限環境測試,核心條件如下:
答案:手工焊接與自動焊接的關鍵限制及注意要點如下:
相關推薦