手機:13827297626
電話:13827297626
郵箱:435281082@qq.com
地址:廣東省東莞市樟木頭鎮圩鎮荔苑路7號星耀國際
發布時間:2019-10-12 點此:14023次
帶燈貼片輕觸開關批發價格:0.3~1.0元/個
規格尺寸:10mm*H10mm(多種款式選擇)
操作力:160gf/250gf
LED燈顏色:可選
品名:帶燈開關
帶燈開關技術參數:
1.額定負荷: DC 12V 50mA
2.接觸電阻: ≤100mΩ
3.絕緣阻抗: ≥100mΩ DC250V
4.使用溫度: -25℃+80℃
5.使用濕度: ≤85%RH
6.操作力 :160gf,250gf
7.使用壽命: 100,000 Cycles

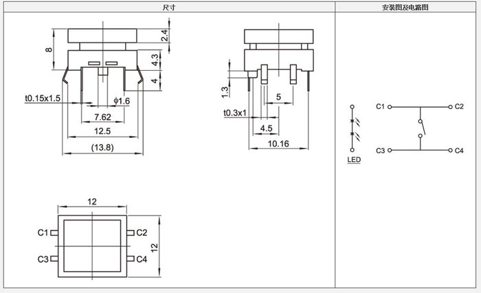
產品設計圖圖片:

東莞市穎鑫電子廠家生產各類不同型號尺寸的按鍵輕觸開關,同時也可以定制帶燈輕觸開關,在按鈕的部位加上客戶需要的燈光效果和圖案,以及可以做成防水輕觸開關等等,公司不僅可以生產搞壽命的各種電子元器件,還能對不同發光顏色進行定制相關延時輕觸按鍵和檢測開關,公司的產品不僅使用壽命長,同時品質的把控也是很嚴格的,可以替代進口日本的各種輕觸開關和微動開關。穎鑫品牌公司作為廣東省深圳市各大企業的大型的供應商,不僅有貼片開關各種系列類型,同時主營的產品品種也是非常繁多,涉及服務的行業從低端手工業到高端智能機器人行業都有,公司成立多年來,一致秉承竭誠服務客戶的宗旨,對于需要用貨比較急的客戶,提供以最快能達到的速度安排生產制作,用最理想的時間,交貨給客戶。公司主營的產品不僅有微型貼片開關,彈片輕觸開關還有立式撥動開關,震動開關,二極管和三極管,插座,接觸電容,撥碼開關,連接器等等電子設備用到的電子元器件,認證資質齊全,質量保障,自動化生產和備案記錄,供應能力和研發能力強,報價實惠。
上一篇:6*6輕觸開關
下一篇:檢測開關的使用注意事項
相關推薦