手機:13827297626
電話:13827297626
郵箱:435281082@qq.com
地址:廣東省東莞市樟木頭鎮圩鎮荔苑路7號星耀國際
發布時間:2020-03-24 點此:2536次
廠家對防水輕觸開關的應用方法
1、 這種防水輕觸開關運用的領域是非常廣泛的,一般電器都是要開關的 ,我們平時能夠接觸到的有微波爐,電飯煲,電風扇,洗衣機等等,這些都是我們家用電器必須的零件,雖然這種電器不會接觸倒水,但是有的條件下是比較潮濕的,為了防止濕度比較大,采用這種電源開關很有效的增加了電器的使用壽命。
2、 還有孩子經常玩的一些玩具也是會用到的。比如在水里玩的一些上電池的玩具都是要經過防水處理的,上面非常小的開關也是這種防水輕觸開關。
3、 在醫療接這種開關也是經常會用到的。墊子血壓計,還有醫院的一些呼叫系統都是會用到的、還有很多方面都會用到這種開關。
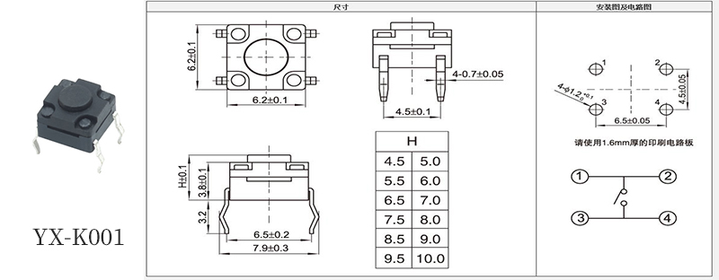
插腳防水輕觸開關尺寸規格圖:

硅膠墊防水輕觸開關的注意事項
1、硅膠墊防水輕觸開關以直流的電阻負載為條件而設計制造的。運用其它負荷時,應另行供認。
2、如果硅膠墊防水輕觸開關整機周圍的材料發出腐蝕性氣體,那就可能導致構成接觸不良等景象,所以應在此前做好供認。
3、不要用于機械性的查看功用。
4、對于硅膠墊防水輕觸開關焊接的條件設定,應提供實習批量生產條件。
5、 給開關端子進行焊接時,假設在端子上施加負荷,由于條件不一樣一般都會有松動、變形及電特性劣化的現象。
6、應避免硅膠墊防水輕觸開關從旁邊面按操作的用法。
7、對密閉型以外的地方,需要防火。
8、對于平軸桿型,盡量按下開關中心部位。對鉸鏈結構,按下時軸桿按動方位將移動,請特別注意。
9、用硅膠墊防水輕觸開關通孔打印電路板及舉薦電路板時,熱應力的影響會發生變化,所以請事前將焊接條件進行供認。
10、 開關進行2次焊接時,應等***次焊接回到常溫后方可進行。接著加熱會使外圍變形、端子松動、墜落及電特性下降。
11、操作開關時,施加規定以上的負荷,硅膠墊防水輕觸開關將有可能被損壞。要注意留心不要在開關上施加規定以上的力。

小撥動開關的應用
1、大電流的密封型。這種開關是有限定的電流的,它的電流最多只能是5A,并且要采用密封技術,用的是環氧樹脂進行密封的,這點從名字上就可以看出。它的樣子有很多種,一般它的觸點材料不同功能也就不一樣。平時有鍍銀跟金兩種,主要用在電器跟機械上。
2、貼片式,這種撥動開關是在表面上貼裝的,要開關的話一般是側面操作的,而且引腳是采用的貼片式,這種一般在通訊跟數字影音中見到的比較多。
3、直插式,這個名字是由它的觸點形式決定的,而且它的引腳是直插式的,并且它最特別的就是它有2檔、3檔、4檔選擇,而且還附帶支架,用來支撐跟固定,以及接電用的,在樓宇自動化跟電子產品中使用較多。

相關推薦