手機:13827297626
電話:13827297626
郵箱:435281082@qq.com
地址:廣東省東莞市樟木頭鎮圩鎮荔苑路7號星耀國際
發布時間:2020-08-22 點此:2754次
B3SN系列歐姆龍輕觸式開關
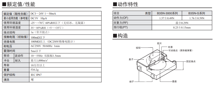
額定值(阻性負載)DC5~24V 1~50mA
最小適合負載(參考值)DC1V 10μA
使用環境溫度-25~+70℃ 60%RH以下(無結冰、無凝露)
使用環境濕度35~85%RH(+5~35℃)
接點結構1a(常開接點)
接觸電阻(初始值)100mΩ以下
絕緣電阻100MΩ以上(DC250V絕緣電阻計)
耐電壓AC250V 50/60Hz 1min
震蕩時間5ms以下
振動誤動作10~55Hz 雙振幅1.5mm
沖擊耐久最大1,000m/s2
壽命10萬次以上
重量約0.2g
保護結構IEC IP67
清洗可



上一篇:B3FS-4系列歐姆龍輕觸式開關